产品特点
◆ 整机可定制高端釉面电镀,多种色彩可选,以搭配各色调环境;
◆ 整机高端刨槽工艺,接缝美观;
◆ 采用独家的上盖防指纹烤漆设计,区别普通的闸机,人过后不会在闸机留下指纹;
◆ 机盖高档黑色覆棉抗凝露;
◆ 机箱上盖边缘契合有软制的胶条,能做到防割伤,给用户高级的体验;
◆ 标配82mm风扇负压排风,有效降温、除湿,减少故障率;
◆ 每通道默认5对红外对射保护,上方3对,下方2对,对幼童、小推车等有良好保护;标配漏电开关;
◆ 主副控制器,标配联机线及膨胀螺丝;
◆ 高硬度纸箱包装,长短途运输无需打木架;
◆ 通过主控板上的内置小按盘,可编程设备的运行状态;
◆ 机械防夹、红外感应防夹功能,在伸缩臂复位的过程中遇阻时,在规定的时间内电机自动停止工作,默认延时后再次复位(直到复位为止),力度小(≤2Kg);
◆ 非法闯入、尾随报警,反向闯入闸门自动关闭;
◆ 具有自动复位功能,开闸后,在规定的时间内行人未通行时,系统将自动取消行人的此次通行权限,复位时间为1S~60S可调(系统默认时间为10S),断电后通道自动敞开(符合消防要求),上电通道自动关闭;
◆ 红外感应复位,红外感应防夹功能;
◆ 可与门禁系统、消费系统、电子门票系统、生物识别系统、静电测试仪等多种设备相衔接;
◆ 可单向或双向控制人员进出,红外感应进、出通道;
技术参数
|
列表 |
DNCT-TD303 |
|
|
基本参数
|
外观尺寸 |
1200*200*1000mm(长*宽*高) |
|
生产工艺 |
全电脑数控激光切割 |
|
|
机箱材质 |
304不锈钢,整机刨槽,整机足1.26mm |
|
|
机箱工艺 |
钣金模具成型 |
|
|
翼板材料 |
透明亚克力/红蓝亚克力/软翼/翼中翼 |
|
|
红外对数 |
标准5对 |
|
|
通道宽度 |
600mm/翼中翼900mm; |
|
|
开闸时间 |
小于1-2s |
|
|
通行速度 |
常开40人、常闭25人 |
|
|
通讯接口 |
RS485 |
|
|
通讯距离 |
小于1200m |
|
|
信号输入 |
干接点信号或12V电平信号(有效信号为脉冲信号有效持续时间大于等于50ms驱动电流最小10mA) |
|
|
工作电压 |
AC220V±10% |
|
|
工作温度 |
-25℃~70℃ |
|
|
相对湿度 |
≤95%,无凝露(常温下) |
|
|
工作温度 |
-15度~50度 |
|
|
环境要求 |
防水机型,可室内外使用 |
|
|
额定功率 |
小于120W |
|
|
电机 |
直流有刷,机械遇阻反弹 |
|
|
额定电压 |
DC24V |
|
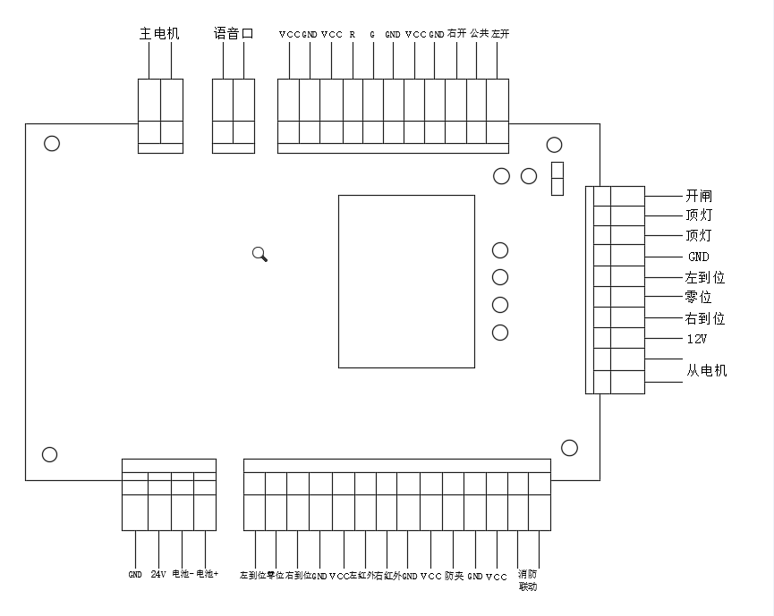
主机板接线图
从机板接线图
主机板
|
功能 |
标识 |
说明 |
|
消防联动 |
|
外接消防信号开闸 |
|
防夹红外接口 |
VCC GND 防夹 |
|
|
逻辑红外接口 |
Vcc gnd 左红外 右红外 |
|
|
限位接口 |
Vcc gnd 右到位 零位 左到位 |
|
|
电池接口 |
电池+ 电池- |
|
|
电源接口 |
24V GND |
从机板取电 |
|
主电机接口 |
|
24v电机接口 |
|
语音接口 |
|
外接喇叭 |
|
备用12V接口 |
VCC GND |
电机相线和霍尔线接入 |
|
顶盖灯接口 |
VCC G R GND |
外接箭头指示灯 |
|
备用12V接口 |
VCC GND |
电机相线和霍尔线接入 |
|
开闸接口 |
右开 公共 左开 |
外部线控信号接入 |
|
联机线接口 |
开闸 顶灯 顶灯 GND 左到位 零位 右到位 12V 从单机 |
主辅机联机线 |
从机板
|
功能 |
标识 |
说明 |
|
备用12V接口 |
VCC GND |
电机相线和霍尔线接入 |
|
限位接口 |
Vcc gnd 右到位 零位 左到位 |
|
|
从电机接口 |
|
24v电机接口 |
|
联机线接口 |
开闸 顶灯 顶灯 GND 左到位 零位 右到位 12V 从单机 |
主辅机联机线 |
|
开闸接口 |
|
外部线控信号接入 |
|
备用12V接口 |
VCC GND |
电机相线和霍尔线接入 |
|
顶盖灯接口 |
VCC G R GND |
外接箭头指示灯 |
|
备用12V接口 |
VCC GND |
电机相线和霍尔线接入 |
尺寸图
